إطارات الحشرات

الرئيسية / إطارات الحشرات

INSECT SCREEN PROFILES

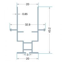
kar u1

kar u1

kar 5204

kar 5204

kar 5201

kar 5201

kar 5200

kar 5200

kar 5040

kar 5040

kar 5120

kar 5120

kar 5140

kar 5140

kar 5130

kar 5130

kar 5030

kar 5030

kar 5060

kar 5060

kar 5080

kar 5080

kar 5021

kar 5021

kar 5081

kar 5081

kar 5090

kar 5090

kar 5203

kar 5203

kar 5070

kar 5070

kar 5020

kar 5020


Questions? Let\'s Chat
Need Help? Chat with us
Click one of our representatives below. We will be happy to help you.
Simaf Group
Support
I'm Online